Loading

GT Korea
대진계측기
대진계측기

온도계

 
온도계 온도 센서 덕트용 온도 센서 R430

덕트용 온도 센서 R430

제품 소개

덕트용 온도 센서 R430


덕트용 온도 센서 R430

제품 개요

덕트용 온도 센서 R430 는 실내 및 덕트 구역 사용에 적합한 백금 저항을 내장하고 있습니다. 건물, 창고, HVAC 시스템 등 다양한 용도로 활용 가능하며, 현재 온도를 정확하게 감지하고 표시합니다.

 

High reliable Pt 100 Ω output.

Quick response and little hysteresis.

Small and compact design.

Good apperance and easy installation.

 

Low cost sensing element.


Standard features


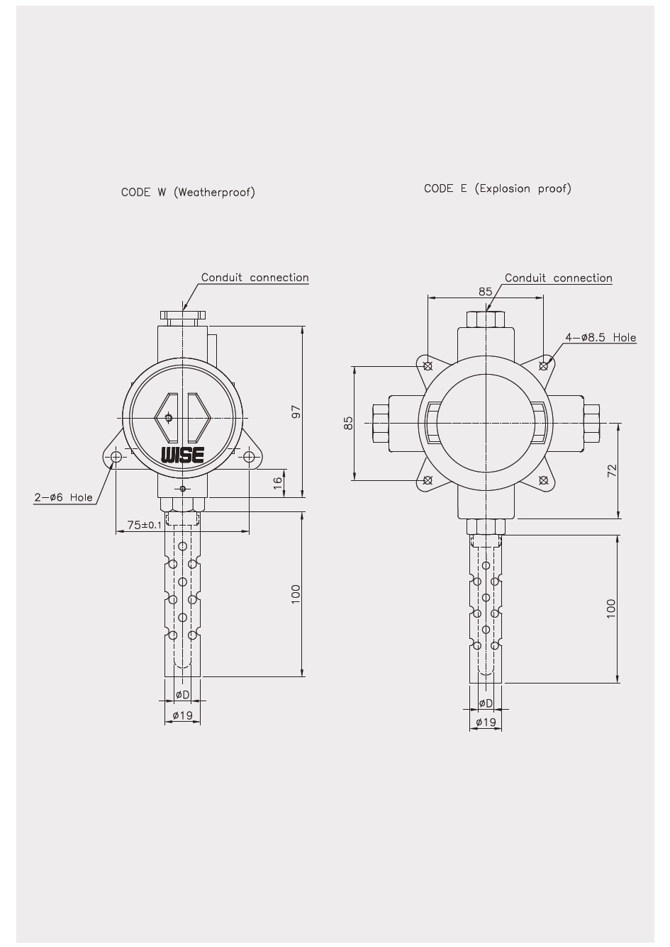
Head

Aluminium casting


Enclosure

Weatherproof : R430W

 

Explosion proof : R430E


Element

Pt 100 Ω at 0 ℃, 316L SS

 

TCR : 3,850 ppm/k


Protecting tube and shroud tube material

304SS (Tube type)

 

316L SS (Sheath type)


Protecting tube outer diameter

 

8 mm (Standard)


Shroud tube diameter and length

 

19 and 100 mm


Working temperature

 

-50 ~ 200 ℃


Tolerances on temperature reading

Class A : ± (0.15 + 0.002 l t l)

 

Class B : ± (0.3 + 0.005 l t l)


R430 : Type of mounting