Loading

GT Korea
대진계측기
대진계측기

온도계

 
온도계 온도 센서 방폭 온도 센서 R94X

방폭 온도 센서 R94X

제품 소개

방폭 온도 센서 R94X


방폭 온도 센서 R94X

제품 개요

방폭 온도 센서 R94X 는 와이즈(주)에서 제조하는 열전대 및 측온저항체는 고객 사양에 따라 정밀 제작되는 제품입니다. 본 제품은 내압방폭 구조로 설계되었으며, 내부 결함 소자를 보호하기 위한 케이스와 감지부로 구성되어 있습니다. 본 제품을 올바르게 사용하려면 적절한 장소에서 시험 및 보관해야 하며, 사용 기간 동안 최적의 성능을 유지하기 위해 각종 문서, 시험 성적서, 사용 설명서 등 필요한 조건을 준수해야 합니다.

 

Certificates

KCs Ex db eb IIC T6 Gb

 

KCs Ex tD A21 T85 °C (Multi point except)


Ambient temperature

-40 ~ +65 ºC (Silicone)

 

-20 ~ +65 ºC (Viton, NBR)


Degree of protection

 

EN60529/IEC529/IP66


Element

Thermocouple : K, E, J, T, N, R, S, B

 

RTD : Pt 100Ω at 0 ºC


Tolerances on temperature reading

Thermocouple

Class 1, Class 2 (DIN/IEC584-2, BS/EN60584-2, JIS C1602)

 

Special, Standard (ASTM E230, E988, ISA-MC96.1)

R.T.D

Class A : ± (0.15 + 0.002 I t I)

 

Class B : ± (0.3 + 0.005 I t I)


Sheath outer diameter

Thermocouple

1.0, 1.6, 2.3, 3.2, 4.8, 6.4, 8.0, 9.5 and 12.7 mm

* Double element is not available for 1.0 mm sheath outer diameter.

R.T.D

3.2, 4.8, 6.4 and 8.0 mm


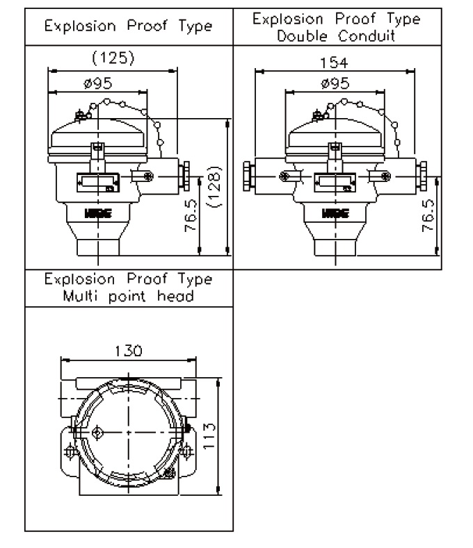
Head type


Other mounting type shape reference


Example