Loading

GT Korea
대진계측기
대진계측기

온도계

 
온도계 온도 센서 온도 트랜스미터 R911

온도 트랜스미터 R911

제품 소개

 온도 트랜스미터 R911


 온도 트랜스미터 R911

제품 개요

온도 트랜스미터 T900 시리즈 온도 트랜스미터는 RTD 및 열전대 어셈블리에 사용되는 표준 몰드 단자 헤드에 장착하여 4~20mA 전송 신호를 제공하도록 설계되었습니다.

모든 온도 측정 프로세스에 비용 효율적인 솔루션 입니다. 정확하고 내구성이 뛰어나며 신뢰성이 높습니다. 

다양한 매체에서 측정할 수 있도록 다양한 구성이 제공됩니다. 일반적으로 트랜스미터는 2선식 시스템에서 선형 4~20mA 출력을 생성합니다. 

트랜스미터는 공장에서 교정된 상태로 공급되지만, 현장 조정을 위한 영점 및 스팬 전위차계도 내장되어 있습니다.


Advantages

Two wire 4-20 mA current output signals

 

Universal input signals

- RTD temperature sensor

- T/C elements

 

- mV, V, mA, DC signals


Programmable function setting

- Input signal type

- Measuring range

- Burnout Low/High setting

- mA output offset

 

Excellent accuracy and a long term stability

Low cost effective


Specification

Electrical specification

Excitation voltage : 18 ~ 30 V DC

 

                         (Noise range:20 mVp-p)

Load resistance max : 600 Ω with 24 V

Influence of excitation : 0.01 % FSO/V

Reverse polarity : Protected

Shock resistance : No change in performance after 20Gs

Vibration : 0.1 g max.

Response time (10 ~ 90 %) : ±500 mSec.

 

Adjustment range : Free


Performance specification

Accuracy : ±0.2 % FSO

Non - linearity : Better than 0.10 % FSO

Repeatability : Better than 0.05 % FSO

Long term stability : Better than 0.05% FSO per month

Cutoff frequency : ±1 kHz

Ambient temperature limits : -40~65 ℃

 

Ambient humidity limits : 5~95 % R.H


Input

Temperature sensor type : See table "Sensor type, range and accuracy"

Signal source : See table "Sensor type, range and accuracy"

 

Output

Current output : 4 ~ 20 mA loop powered

Electrical connection type : 2-wire technique

Full scale output signal : 20 mA ±0.2 %

Zero measured output : 4 mA ±0.03 %

 

Sensor burnout : High (20.5 mA DC) or Low (3.9 mA)


Certificates

 

KCS Ex d IIC T6


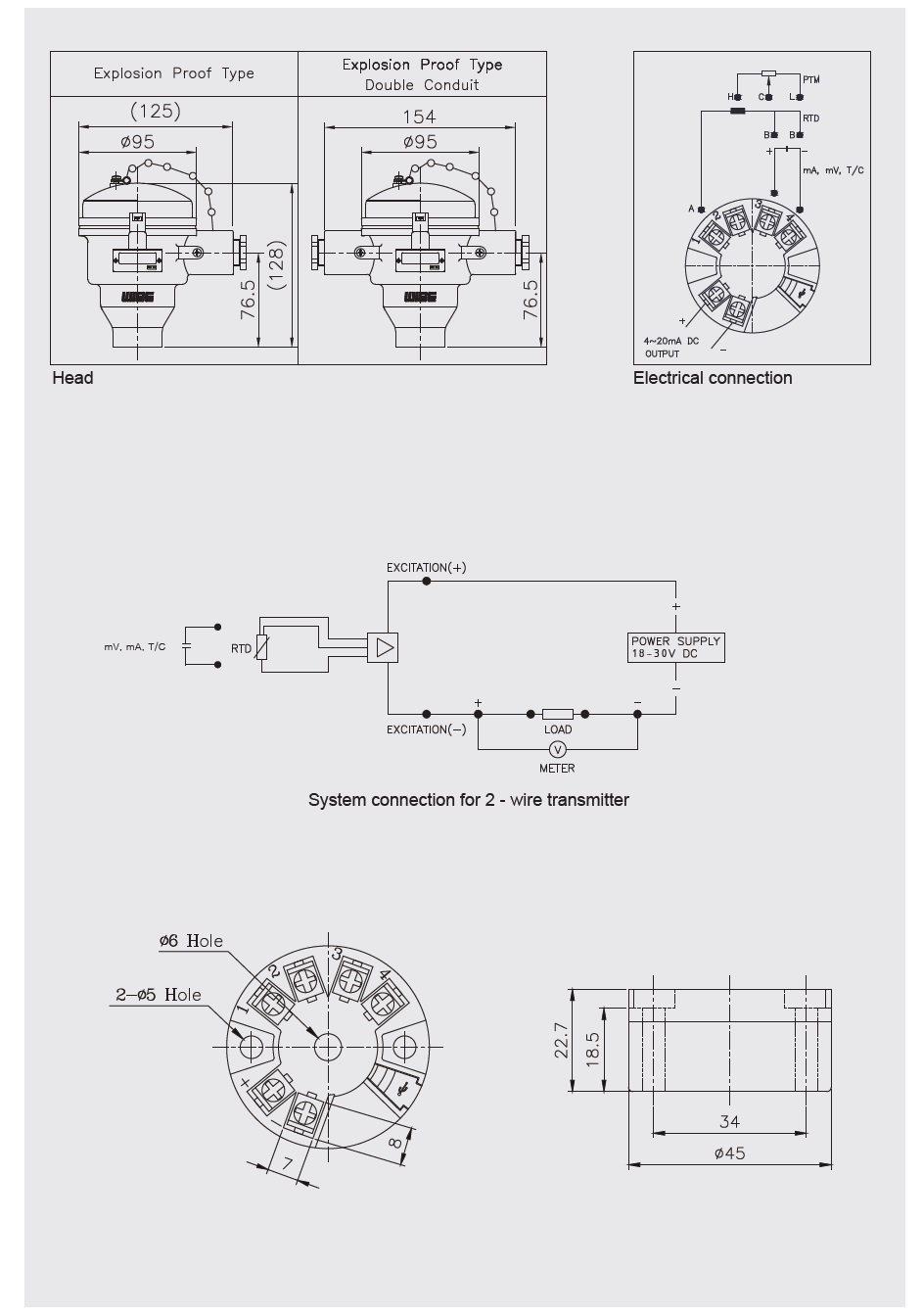
R911 : Type of mounting


Dimension



Other mounting type shape reference

 



Example