Loading

GT Korea
대진계측기
대진계측기

압력계

 
압력계 차압계 방폭 차압 스위치 P991

방폭 차압 스위치 P991

제품 소개

방폭 차압 스위치 P991 


 방폭 차압 스위치 P991

제품 개요

방폭 차압 스위치 P991 시리즈는 벨로우즈 타입으로, 주로 화력발전소의 통풍압을 감지하는 데 사용됩니다.


제품 제작사양

Fluid

Air and gas

Repeatability

±1.5 % of full range

Dead band

Fixed. 0.25 ~ 0.8 kPa or less

Differential pressure range (kPa)

0 ~ 4 kPa to 0 ~ 20 kPa

Max. Working pressure (Static pressure)

500 kPa

Working temperature

Ambient : -20 ~ 65 °C

Fluid : Max. 60 °C

Degress of protection

EN60529/IEC529/min IP65


제품 사양


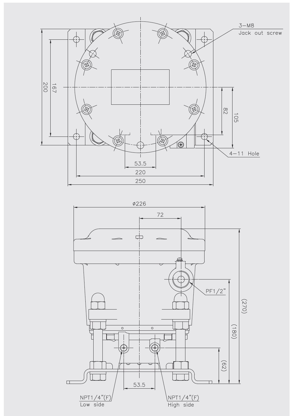
제품 도면



Specifications