Loading

GT Korea
대진계측기
대진계측기

압력계

 
압력계 압력스위치 다이어프램형 압력 스위치 P955

다이어프램형 압력 스위치 P955

 

다이어프램형 압력 스위치  P955 


다이어프램형 압력 스위치 P955 

제품 설명

다이어프램형 압력 스위치 P955 는 보일러 공정 라인에 사용할 수 있습니다. 내부 마이크로 스위치는 대기압이나 수압 등 다양한 유체의 압력에 의해 작동합니다.

다이어프램형 압력 스위치 P955 압력 설정 범위는 조정 가능합니다.


제품 제작사양

Fluid

Gas and oil

Repeatability

±1.0 % of adjustable range

Adjustable range (mbar, kPa, bar, MPa)

0.3 kPa to 50 kPa

-1.0 ~ -0.1 bar

Dead band

Fixed

One SPDT : Approx. 5~6 % adjustable range

Working temperature

Ambient : -25~65 °C (O-ring material: NBR, Viton)

                 -40~65 °C (O-ring material: Silicone)

Fluid : Max. 100 °C

Degree of protection

 

EN60529/IEC529/IP67


제품 사양


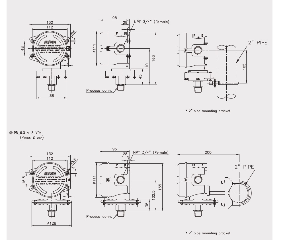
제품 도면


설정점 조정


압력 범위 표