Loading

GT Korea
대진계측기
대진계측기

압력센서

 
압력센서 반도체용 압력센서 반도체용 압력센서 PUB

반도체용 압력센서 PUB

 

반도체용 압력센서 PUB


반도체용 압력센서 PUB

제품 설명

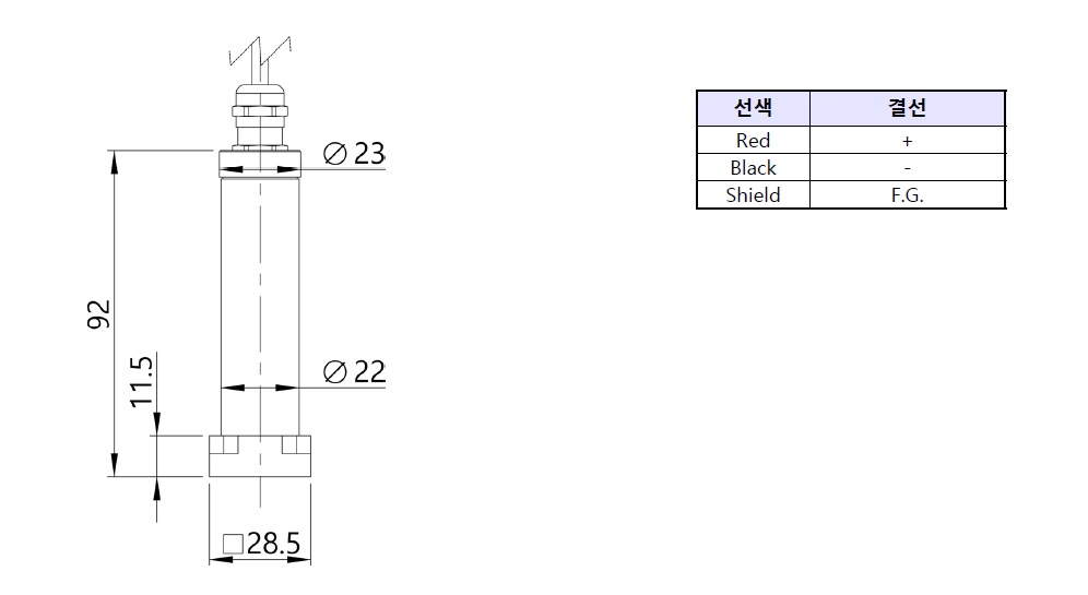
반도체용 압력센서 PUB모델의 배관연결부는 IGS 1.125" W씰용으로 되어 있으며 재질은 Hastelloy C22와 STS316L입니다. 접액부 표면을 EP처리하여 UHP(Ultra High Purity) 가스 시스템용으로 적합한 압력트랜스미터입니다. 반도체용 압력센서 PUB는 2선식 4~20mA 출력으로 원거리 신호 전송이 가능합니다.

 

제품 특징

▶ 배관연결부 형태 : IGS 1.125“ W SEAL

▶ 4~20mA(2선) 아나로그 출력

▶ 출력단 : 케이블

 

▶ 접액부재질 : Hastelloy C22, STS316L


적용범위

▶ IGS 압력 모니터링

▶ 가스 패널

▶ 특수 및 벌크 가스 공급 장치

 

▶ 반도체장비


사양



외형치수



모델명 표기