Loading

GT Korea
대진계측기
대진계측기

압력센서

 
압력센서 반도체용 압력센서 반도체용 압력계 SUB

반도체용 압력계 SUB

 

 반도체용 압력계 SUB

  

반도체용 압력계 SUB

제품 설명

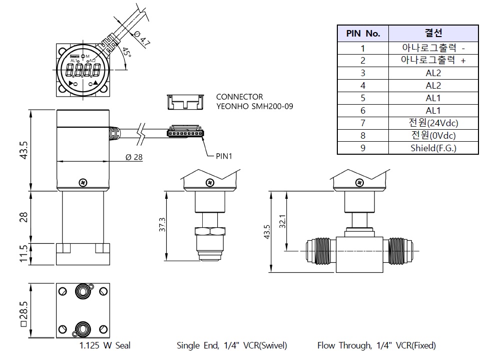
반도체용 압력계 SUB모델의 배관연결부는 IGS 1.125" W씰, Sigle End Swivel, Flow Through Fixed로 되어 있으며 재질은 Hastelloy C22와 STS316L입니다. 접액부 표면을 EP처리하여 UHP(Ultra High Purity) 가스 시스템용으로 적합 합니다.반도체용 압력계 SUB 마이크로프로세서를 내장하고 LED 디스플래이와 아날로그 출력(4~20mA, 1~5, 0~5, 0~10Vdc), 2채널 PhotoMOS Relay 출력의 압력 게이지입니다. 반도체용 압력계 SUB는 소형으로 압력센서와 인디게이터, 스위치가 하나로 통합된 제품 입니다.


제품 특징

▶ 배관연결부 형태 : IGS 1.125“ W SEAL

                               Sigle End Swivel

                                Flow Through Fixed

▶ 4~20mA, 1~5, 0~5, 0~10Vdc 아나로그 출력

▶ 2채널 PhotoMOS Relay 출력

▶ 출력단 : 케이블 20cm + 연호커넥터 9핀

▶ 접액부재질 : Hastelloy C22, STS316L


제품 사용 범위

▶ IGS 압력 모니터링

▶ 가스 패널

▶ 특수 및 벌크 가스 공급 장치

▶ 반도체장비

 

 제품 사양



Dimension



주문 정보