Loading

GT Korea
대진계측기
대진계측기

압력센서

 
압력센서 압력센서 압력센서 PME

압력센서 PME

 

압력센서 PME

 

압력센서 PME
제품 설명

 

압력센서 PME는 디스펜서, 식품 및 위생 설비에 사용하기 적합한 G3/8" 플러시 다이어프램 구조의 압력 포트를 갖추고 있습니다. 압력센서 PME 감지 소자는 자체 온도 보상 포일 스트레인 게이지를 채택하여 우수한 온도 특성을 나타냅니다. 압력센서 PME 다양한 종류의 컨트롤러와 연동할 수 있도록 증폭기가 내장되어 있습니다.


특 징

▶ Flush Diaphragm(G3/8")

▶ Built-in amplifier Circuit(VDC, mA)

▶ Measuring range 0~50MPa

▶ 0.5%FS accuracy

▶ Self temperature compensation foil strain gauge

 

▶ Stainless steel media-wetted materials


적용범위

▶ Food Process control

▶ Water Resource management

▶ Sewage Water & Slurry

▶ Glues & Resins

▶ Oils & Lubricants

▶ Cosmetics & Pulps

 

▶ Abrasive Liquids


제품 사양



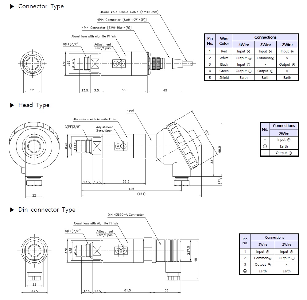
외형치수


Internal Circuit Diagram


모델명 표기