Loading

GT Korea
대진계측기
대진계측기

레벨센서

 
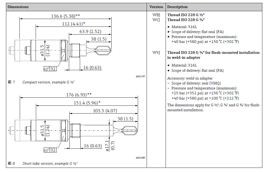
레벨센서 포인트 레벨 스위치 액체용 포인트 레벨 스위치 FTL31

액체용 포인트 레벨 스위치 FTL31

 

액체용 포인트 레벨 스위치 FTL31


액체용 포인트 레벨 스위치 FTL31

제품 설명

액체용 포인트 레벨 스위치 FTL31은 액체 용 포인트 레벨 스위치이며 탱크, 용기 및 파이프에 사용됩니다.

예를 들어 냉각 및 윤활 용기뿐만 아니라 세척 및 필터 시스템에서과 충진 방지 또는 펌프 보호에 사용됩니다.

지금까지 플로트 스위치 또는 전도성, 정전 용량 및 광학 센서가 사용 된 애플리케이션에 이상적입니다. Liquiphant FTL31은 전도성, 축적, 난류, 흐름 조건 또는 기포로 인해 이러한 측정 원리가 적합하지 않은 영역에서도 작동합니다.

 

측정 원리

압전 드라이브는 Liquiphant FTL31의 음차가 공진 주파수에서 진동하도록합니다. 음차를 액체에 담그면 주변 매체의 밀도 변화로 인해 고유 주파수가 변경됩니다. 포인트 레벨 스위치의 전자 시스템은 공명 주파수를 모니터링하고 튜닝 포크가 공기 중에서 진동하는지 또는 액체로 덮여 있는지 여부를 나타냅니다.

 

신호는 DC-PNP 또는 AC / DC 전기 연결을 통해 출력됩니다.


측정 시스템

측정 시스템은 Liquiphant FTL31 포인트 레벨 스위치로 구성됩니다. 프로그래머블 로직 컨트롤러 (PLC), 미니 접촉기 또는 솔레노이드 밸브에 연결하기위한 것입니다.

 

                          1 과충진 방지 또는 상위 레벨 감지 MAX(최대 안전성)
                              2 낮은 레벨 감지 MIN(최소 안전)
                              3 낮은 레벨 감지 MIN, 예. 펌프용 건식 보호
스위치 출력

Switching behavior: On/Off

Function

3-wire DC-PNP:

전자 장치 (PNP)의 스위치 출력에서 포지티브 전압 신호, 스위칭 용량 200mA

 2  -wire AC/DC:

전원 공급 라인의 부하 스위칭, 스위칭 용량 250mA

 

작동 모드

이 장치에는 최대 안전 (MAX) 및 최소 안전 (MIN)의 두 가지 작동 모드가 있습니다.

해당 작동 모드를 선택함으로써 사용자는 경보 상태에서도 장치가 안전 지향 방식으로 전환 되는지 확인합니다. 전원 공급 라인이 분리 된 경우.

• Maximum safety (MAX)

이 장치는 액체 레벨이 포크 아래에있는 한 전자 스위치를 닫힌 상태로 유지합니다. 샘플적용 :과 충진 방지

• Minimum safety (MIN)

이 장치는 포크가 액체에 잠겨있는 한 전자 스위치를 닫힌 상태로 유지합니다. 샘플 적용: 펌프의 공회전 보호

한계에 도달하거나 오류가 발생하거나 전원이 차단되면 전자 스위치가 열립니다 (대기 전류 원리).

 

파이프에 설치

설치하는 동안 파이프의 난류를 최소화하기 위해 포크의 위치에주의하십시오.


탱크에 설치

수평으로 설치하는 경우 음차의 위치에주의하여 액체가 쉽게 떨어질 수 있도록하십시오.

전기적 연결 (예 : M12 커넥터는 케이블이 아래쪽을 향해야합니다. 이것은 습기가 침투하는 것을 방지 할 수 있습니다.


 

 

벽으로부터의 거리

탱크 벽에 예상되는 축적 물과 포크 사이에 충분한 거리가 있는지 확인하십시오. 벽으로부터의 권장 거리 ≥10mm (0.39 인치).


도면