Loading

GT Korea
대진계측기
대진계측기

레벨센서

 
레벨센서 레벨트랜스미터 레벨트랜스미터 SHT-100

레벨트랜스미터 SHT-100

 

레벨 트랜스미터 SHT-100


  

레벨 트랜스미터 SHT-100

제품 설명
 
레벨 트랜스미터 SHT-100 Series Float Type 액면 전송기는 탱크위에 설치하여 액면의 경계면을 검출하여 높이를 연속 지시 하도록 설계되어 있다.

레벨 트랜스미터 SHT-100 Series Float와 Guide Pipe는 부식성 및 내식성이있는 재질을 광범위하게 선택할 수 있으며 부식성있는 측정물에 견딜 수 있도록 생산 하였습니다.

여러번의 시험 과정을 거친 이 액면 전송기(SHT-100 Series)는 진공 상태에서부터 최대 압력 30Kgf/cm2에 견딜 수 있다.
탱크와 결합하는 Flange 부분과 탱크안에 들어가는 접액부의 재질은 탱크를 가동할때의 온도 -20℃에서 +150℃ 까지 인탱크 안에서 사용할 수 있습니다.


제품 적용

레벨 트랜스미터 SHT-100 Series 물,우유,맥주,탄산음료 탱크의 액면검출.

레벨 트랜스미터 SHT-100 Series 화학약품 탱크의 액면 검출.

레벨 트랜스미터 SHT-100 Series 폐수 처리의 액면 검출.

레벨 트랜스미터 SHT-100 Series 개방수로의 액면 검출.

레벨 트랜스미터 SHT-100 Series 휘발유,경유등 위험물 탱크의 액면 검출.

 

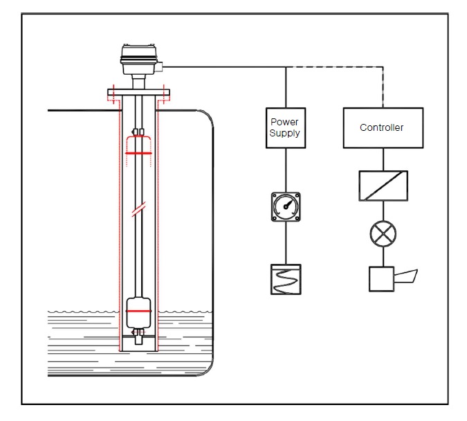
측정 시스템

측정 시스템은 다음과 같이 구성되어 있다.

- FLANGE

- GUIDE PIPE & FLOAT

- SHT-100 ELECTRONIC INSERT

- HOUSING

◎ STANDARD : AL CASTING HOUSING

(PROTECTION : WEATHER -PROOF IP65)

◎ OPTION : AL CASTING HOUSING

(PROTECTION : EX - PROOF (EX d ⅡB+H2 T5 IP65))


  ① 화학 및 식품탱크,보일러, 지하수조의 용기나 개방수로의 액면을 검출하여 액면의 높이를 연속측정 한다.


     
② 탱크나 개방수로에 액면 전송기 설치시 측정물의 유동에 의하여 후로트의 흔들림을 방지하기 위하여 보호관을 설치한다.


     
③ 탱크 내부에 설치가 불가능할 경우 탱크 외부에 CHAMBER를 부착하여 액면 전송기를 설치한다.

액면 전송기 모델 선택 방법


기술자료


Product Structure