Loading

GT Korea
대진계측기
대진계측기

레벨센서

 
레벨센서 플로트식 레벨스위치 플로트식 레벨스위치 HM-12

플로트식 레벨스위치 HM-12

 

 플로트 레벨스위치 HM-12


 



플로트 레벨스위치 HM-12  


제품 설명
플로트 레벨스위치 HM-12 Series는 탱크 측면에 설치하여 ON / OFF의 접점신호를 가지는 검출기로 급수 또는배수 시에 경보 기능을 수행하는 공정에 사용됩니다. 플로트 레벨스위치 HM-12 Series는  검출기는 구조가 견고하고 수명이 길다는 장점을 가지고 있으며, 제품은 용도에 따라 일반 타입과 방폭 타입 두 가지가 있습니다.

동작원리

플로트 레벨스위치 HM-12 Series는 자석끼리 반발하는 힘을 이용하여 동작하는 계기로서 액위의 변화에 따라 Float가 상승하면 Float와 연결되어 있는 Shaft의 자석이 Housing의 Holder 자석과 반발되면서 마이크로 스위치를 작동시킵니다. 접점은 레벨의 상·하한 경보로 사용할 수 있습니다.

  

제품 특징

■ 여러 종류의 액체 레벨을 검출할 수 있음.

■ 구조가 견고하고 수명이 김.

■ 고온 용기에도 사용할 수 있음.

■ 설치 방법이 편리함.

■ 내압 방폭 타입으로 제작이 가능함. (HM-12H-Ex)


제품 사양

 



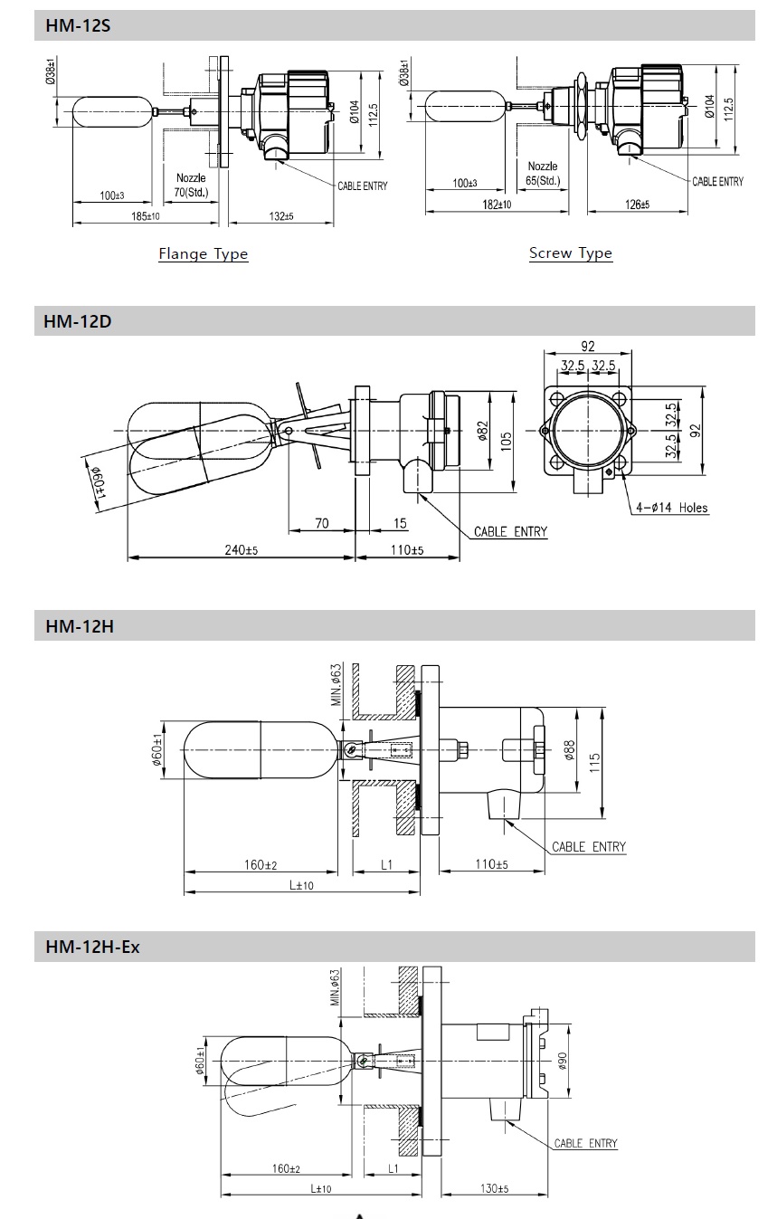
제품치수