제품 소개
코리올리 질량 유량계 GTCMF

코리올리 질량 유량계 GTCMF
1. 제품 소개
코리올리 질량 유량계 GTCMF 시리즈의 측정 원리는 제어 된 코리올리 생성을 기반으로합니다.
측정은 압력, 온도, 점도, 밀도 등에 영향을받지 않습니다.
보상 계산이 필요하지 않습니다. 이 구조는 센서와 송신기의 두 부분으로 구성됩니다.
코리올리 질량 유량계는 안전 방폭의 국가 표준을 기반으로 설계되고 제조됩니다.
방폭 규격은 EX d ib II C T5 Gb입니다.
질량 유량계는 장치를 통과하는 단위 시간당 체적 (예를 들어, 입방 미터 / 초)을 측정하지 않는다;
장치를 통해 흐르는 단위 시간당 질량 (예를 들어, 초당 킬로그램)을 측정한다.
코리올리 질량 유량계의 정확도는 ± 0.1 % ~ ± 0.2 %입니다.
적용 범위가 큽니다. (모든 종류의 모든 뉴톤 유체, 슬러리, 현탁액, 고점도 유체 등을 측정하는데
사용될 수 있습니다)
설치 요구 사항이 낮습니다. (코리올리 질량 유량계 앞뒤의 직선 파이프 필요량이 적습니다.)
그들은 더 안정적이고 안정적이며 유지 보수 수준이 낮습니다.
GTCMF-V 시리즈 코리올리 질량 유량계는 순수 디지털 드라이브, DSP 신호 처리 및 높은 진동 주파수를 적용했습니다.
■ GTCMF-V 시리즈 코리올리 질량 유량계는 높은 안정성, 높은 충격 저항, 빠른 응답, 높은 정확도, 낮은 압력
손실, 다중 매개 변수 측정 (질량 유량, 밀도, 온도, 백분율 포함) 등의 특성을 가지고 있습니다.
■ 코리올리 질량 유량계의 정확도는 ± 0.1 % ~ ± 0.2 %입니다.
■ 적용 범위가 큽니다. ( 모든 종류의 비 뉴톤 유체, 슬러리, 현탁액, 고점도 유체 등을 측정하는 데 사용될 수 있습니다)
■ 설치 요구 사항이 낮습니다. (코리올리 질량 유량계 앞뒤의 직선 파이프 필요량이 적습니다.)
더 안정적이고 안정적이며 유지 보수 수준이 낮습니다.
1-1. 측정 원리
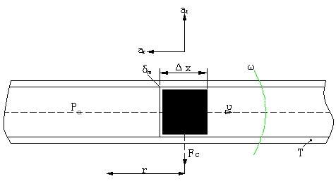
측정 원리는 코리올리 군의 제어 된 생성에 기초합니다. 입자의 일정 속도 v에서의 δm의 품질에서의 그림은 파이프의 각속도 ω ω 이동으로 고정 점 P를 중심으로 회전하며 입자는 두 개의 가속도 성분을 수신합니다.
1. 표준 가속도 αr (구심 가속도), 그 값은 점 P를 향한 2 / (ω r) 방향과 같습니다;
2. αt (코리올리 가속도)의 접선 가속도는 2ωv와 같으며, αr에 수직 인 오메가 방향입니다.
뉴턴의 제 2 운동 법칙 (힘 = 질량 * 가속도)에 따르면.
코리올리 가속도 αr를 생성 할 필요가 있다면, αt의 방향으로 대응하는 힘이 있어야합니다. 그것은 2ωvδm과 같습니다. 그리고이 힘은 파이프 라인에서옵니다.
파이프 라인에 작용하는 힘 Fc = 2ωvδm (이하 코리올리 힘이라 함)을 반전시킵니다.
다이어그램, 유체 델타 m = ρA Δx이므로 코리올리 힘은 다음과 같이 나타낼 수 있습니다.
ΔFc = 2ωvδm = 2ωvρAΔx = 2ωδqmΔx
유형 : A는 파이프의 단면적입니다.
δqm = δdm / dt = vρA
특정 회전 파이프의 경우 주파수 특성이 일정합니다. Δ Fc는 δqm에만 의존하므로 유체에 의해 부과되는 코리올리 힘의 회전 파이프에서 직접 또는 간접적으로 측정 된 유량을 질량 유량으로 측정 할 수 있습니다. 코리올리 질량 유량계의 원리 기본 입니다.
1-2. 밀도 측정
측정 튜브는 공진 주파수에서 계속적으로 여기됩니다.
질량의 변화, 따라서 진동 시스템의 밀도 (튜브 및 유체 측정 포함)는 발진 주파수에서 이에 상응하는 자동 조정을 초래합니다.
따라서 공진 주파수는 유체 밀도의 함수입니다.
마이크로 프로세서는이 관계를 이용하여 농도 신호를 얻습니다.
주의
전원 전압이 심각한 결과를 초래할 수 있습니다.
설치 및 유지 보수 전에 전원을 차단하십시오.
주의
부적절한 설치로 인해 Coriolis 질량 유량계가 손상 될 수 있습니다.
자세한 내용은 사용 설명서의 설치 및 연결 부분을 참조하십시오.
2 제품 사양
3. 모듈 선택
GTCMF-Series Coriolis Mass Flow Meter
Micro Flow Meter:
Medium-Small Flow Meter:
Large-scale Flow Meter:High pressure could be specialordered. (4~70MPa)
GTCMF-V-Series Coriolis Mass Flow Meter
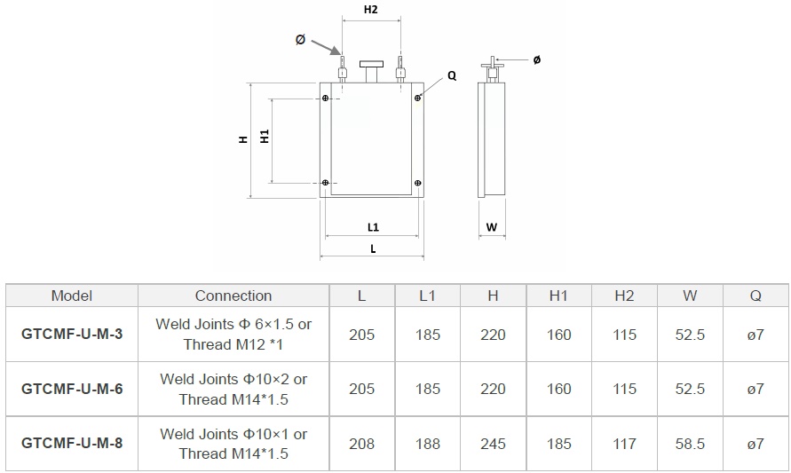
4.치 수
Transducer Size
GTCMF-Series Coriolis Mass FlowMeter
Small Flow Sensor Outline:with tiny flow rate
Medium Flow Sensor Outline: Welded Flange, Jap Joint Flange
Large Flow Sensor Outline:

High Pressure Flow Sensor Outline:
GTCMF-V-Series Coriolis MassFlow Meter
**Photos of GTCMF V Series ** Photos of DN250 (Core Processor)

