Loading

GT Korea
대진계측기
대진계측기

유량계

 
유량계 볼텍스 유량계 KTVP-750 (Wafer Tpye)

KTVP-750 (Wafer Tpye)

제품:KTVP-750 (Wafer Tpye) 볼텍스 유량계  


KTVP-750 (Wafer Tpye) 볼텍스 유량계  


제품 소개


 KTVP-750 (Wafer Tpye)볼텍스 유량계는 온⦁압 센서가 내장된 와류식 유량계입니다. 유량측정 메커니즘에 온도와 압력 보정기능을 일체화하여 배관 조건이 유동적인 환경에 적용가능하여 다양한 산업 현장에 적용 가능합니다. 이 제품은 액체, 건식 또는 습식 가스와 포화 또는 과열 증기 (스팀) 의 유량 측정에 가장 적합하며 높은 온도의 유체에서도 높은 정밀도를 유지합니다. 

 

 KTVP-750 은 석유 가스, 발전소, 제약 및 펄프 & 제지 등의 산업 현장에 사용 가능하며 구동 부품이 없어 내구성이 우수하고 수명이 깁니다. Connection Size 대비 Tube Size를 줄여서 제공 가능하며 플랜지 타입 또는 플랜지가 없는 웨이퍼 타입으로도 제공 가능하여 다양한 배관 조건에 충족 가능합니다.

 

제품 특징

 

       ■ FEATURE                                                ■ APPLICATIONS

 


 

       ■ KTVP-750 General Specifications

 


 

      ■ MODEL CODE

 


 

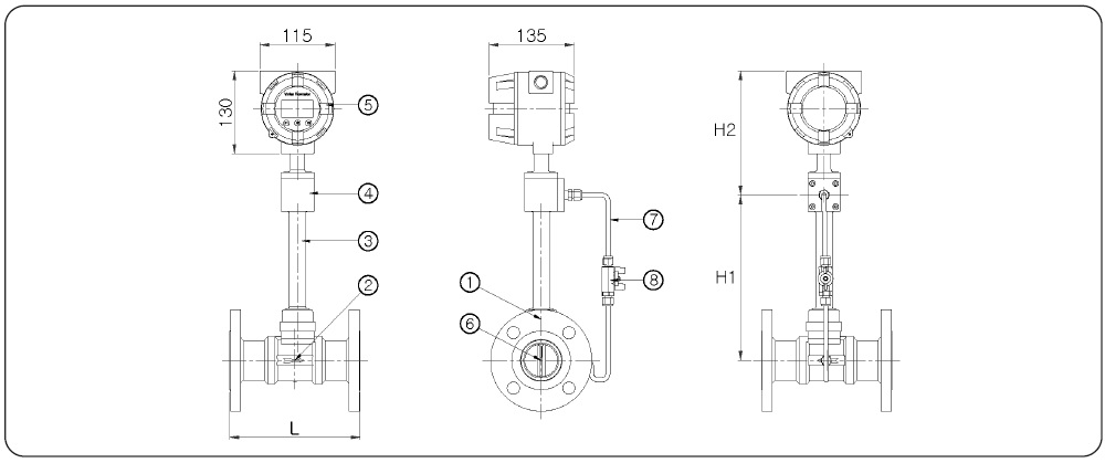
       ■ STRUCTURAL DRAWING

 


 

       ■ DIMENSIONS                                          ■ STANDARD MATERIAL

 

 

        * Height (H1, H2)는 사양에 따라 변경될 수 있음.


      ■ NORMAL FLOW RANGES

 


 

       ■ GAS FLOW RANGES

 


 

       ■ SATURATED STEAM FLOW RANGES

 


 

       ■ DRAWING OF INSTALLATION