Loading

GT Korea
대진계측기
대진계측기

유량계

 
유량계 용적식 유량계 용적식 유량계 LC

용적식 유량계 LC

제품 소개

용적식 유량계 LC 

 

용적식 유량계 LC  
제품 개요

 

용적식 유량계 LC 타원형 미터는 파이프 액체 흐름의 연속적이고 간헐적인 측정 및 제어에 사용되는 도구로, 전형적인 용적식 미터는 큰 흐름 범위, 낮은 압력 손실, 큰 점도 범위, 쉬운 설치, 높은 정확도를 특징으로 하며 고온을 측정할 수 있습니다. 

교정이 쉬운 고점도 액체.
유형 LC 타원형 미터는 파이프라인을 통과하는 액체 흐름과 간헐적인 흐름을 나타낼 수 있는 현장 포인터 표시 및 롤러 통합 장치가 장착되어 있습니다.
다른 액체(산, 알칼리, 염, 유기 용액 등)의 경우 미터는 다른 재료(주철, 주강, 스테인리스 스틸 등)로 만들 수 있습니다.
미터는 석유, 화학, 화학 섬유, 교통, 식품 산업 및 상업, 의료 및 위생 부서 분야의 유량 측정에 널리 사용됩니다.


구조 및 작동원리

타원형 미터는 일반적으로 유량 변환기와 카운터 메커니즘으로 구성됩니다.

변환기의 주요 부분은 한 쌍의 타원형 바퀴와 밀봉 커플링으로 구성된 측정 챔버입니다.

 

카운터 메커니즘에는 감속 기어, 조정 장치, 카운터 및 펄스 송신기 등이 포함됩니다.


측정 챔버에서 한 쌍의 타원형 바퀴와 덮개판은 측정 단위로 사용되는 초승달 모양의 공동을 만듭니다.

타원형 바퀴는 유량계의 입구와 출구의 압력 차이에 의해 회전하고 공동을 통해 출구로 유입 액체를 구동합니다. 
타원형 바퀴의 각 회전은 공동 부피의 4배인 유체를 변위시킵니다. 타원형 휠과 회전율은 기계식 카운터로 전송되고 총 액체량과 순간 유량은 포인터 디스플레이와 롤러 통합으로 알 수 있습니다.
부착된 신호 발생기는 회전식 축 각도 이동을 펄스 신호로 변환한 다음 원격 통합 흐름과 순간 플로인디케이션 및 제어를 위해 고객의 전기 표시기로 전송합니다.



일반 기술 사양
1. 주요 부품의 재질 및 공칭 작동 압력


2.Accuracy class: Class 0.5, Class 0.2
3. Operating temperature:
                  LC -A: -20 °C ~+60 60°C
                  LC -B, E, L: -41 °C ~+60 60°C, 60 °C~200 °C (with high temp. radiator installed)
                  LC -Q, L: -20 °C~+60 60°C;
4. ExplosionExplosion-proof mark: Ex ia IICT5, d II CT6
5. Flow range:

 

Note:측정된 액체의 온도가 80°C보다 높은 경우.

최대 흐름 운명은 기본 흐름의 90%이고 최소값은 120%입니다.

6. 성능(흐름 오류 및 압력 손실 곡선)

 

Notes:

          1. 위의 정확도 곡선은 계량된 액체의 점도가 다를 때 미터 오류를 보여주며 미터 오류는 오류를 최적화하기 위해 정확도 조정기로

             Axis 0을 위아래로 조정할 수 있습니다.

          2. 유량 범위가 감소한 액체의 경우 정확도 조정기를 통해 미터 정확도를 향상시킬 수 있습니다.

 

 

LC 시리즈의 기타 특수 타원형 미터

1. 고온 유량계

고온 유량계는 라디에이터와 일치하며 사양은 다음과 같습니다.

 

Note:라디에이터가 없는 고온 유량계의 경우 'T', 60°C ~120°C

 

       긴 라디에이터가 있는 미터용 'T1', 120°C ~200°C
       짧은 라디에이터가 있는 계기용 'T2', 60°C ~120°C

 

2. Flowmeter of large viscosity

유형: LC-NR, 주철용 LC-NA, 주철용 LC-NE공칭 압력(MPa): 주철의 경우 1.6; 6.3 주강용 DN100 이하; DN100 이상의 주강의 경우 2.5

측정된 액체 점도(MPa.s): 300~2000.

2,000~20,000(특수품)측정 액체 온도: -20°C ~+200°C

 

정확도 등급: 0.5


3.Remote oval transmitter

   General description

원격 송신기 미터는 유량계 현실과 파이프 액체 흐름을 펄스 신호 또는 아날로그 신호로 직접 변환할 수 있는 신호 송신기로 구성됩니다.

EL 시리즈 표시기 또는 기타 표시기 및 시스템과 일치하는 미터는 원격 표시, 제어 및 기록을 실현할 수 있습니다.

 

Technical specification


A. 정확성; 클래스 0.5, 클래스 0.2

B. 측정 매체 온도: 정상 작동 온도 -20°C ~+60°C
C. 펄스 송신기 유형: GF, MF, AG19
D. 송신기의 구조 유형: BGF, FX, LC-13
E. 방폭마크 : ExiaIICT5(본질안전)-FX, LC13
dIIBT4(분리)-BGF
F. 치수(다음 그림 참조):

g. Specification and parameter

H. 치수 계산
      다른 유형의 신호 송신기의 경우 송신기의 모양 치수에 치수 C를 추가하여 전체 치수를 얻습니다.
      ** For instance: LC-HB25.2/ FX -GF -I, Height C=171. Height of type FX=98, Total height=171+98=269

4. Light -type oval flowmeter
   Light-Type Oval Meters는 경량 및 저비용을 위해 시장에 따라 개발되었으며, 경량, 독특한 외관, 쉬운 조립,좋은 반복 및 높은 정확도를 
  특징으로 합니다.
Technical specification
A. 정확성; 클래스 0.5, 클래스 0.2
B. 공칭 압력: 1.6MPa
C. 기타 사양은 LC-A 시리즈와 동일
D. 주요 부품의 재료



5. Type LC-U oval flowmeter
   상온에서 쉽게 동결되거나 특정 온도에서 굳어지는 매체를 전송 및 감지하기 위해서는 파이프에서 매체를 예열하고 녹여야 합니다. 그러나 증기를 직접 통과시키는 것이 금지되어 있으므로(미터가 손상되는 것을 방지하기 위해) 미터 쉘 외부에 단열 슬리브가 있는 미터를 개발합니다. 
200°C 미만의 뜨거운 물, 뜨거운 기름 또는 증기를 단열 슬리브에 채운 다음 미터 또는 스트레이너에서 냉동 매체를 녹이고 온도를 유지할 수 있습니다. 따라서 미터가 정상적으로 작동하는지 확인하십시오.
미터 앞의 스트레이너는 단열 슬리브와도 일치할 수 있습니다.
입구 플랜지는 일반적으로 DN15 플랜지 유형이며 고객의 요구 사항에 따라 설계할 수도 있습니다.
단열 슬리브의 공칭 작동 압력은 0.5MPa이며 고객의 요구사항에 따라 설계할 수도 있습니다.

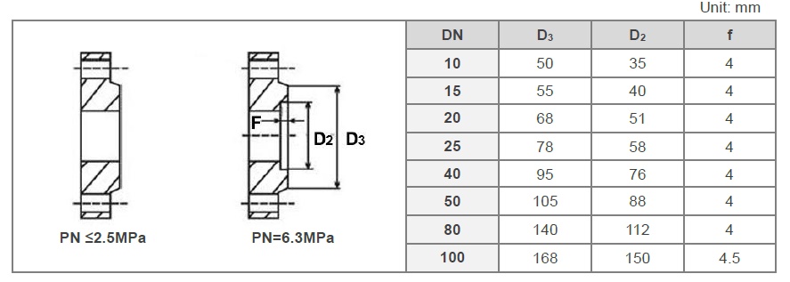
모양 및 설치 치수


Form of flange

Model selection