Loading

GT Korea
대진계측기
대진계측기

유량계

 
유량계 용적식 유량계 용적식 유량계 GT500-D

용적식 유량계 GT500-D

제품 소개

용적식 유량계 GT500-D  



용적식 유량계 GT500-D 

1. 제품 소개

 용적식 유량계 GT500-D는  타원형 기어 유량계의 작동 원리는 액체가 한 쌍의 타원형 기어를 밀어 회전시키는 것입니다.각 공동의 부피는 고정 된 부피입니다.

기어의 속도가 도출되고 센서가 동기 펄스 카운팅을 보내고 타원형 기어의 회전이 자기 밀봉 커플 링과 변속기 감속 메커니즘을 통해 카운터에 전달되어 유량계를 통한 총 유량을 직접 나타냅니다.

 

일반적인 응용 분야 :

오벌 기어 유량계는 주로 고점도 매체를 측정하는 데 사용됩니다.

제품은 석유, 석유 화학, 천연 가스, 화학, 종이 및 기타 산업 분야에서 소형 파이프 직경 유량 측정에 널리 사용됩니다.


Oval gear operation Schematic

2. 제품 특징

⚫ 지름은 10 ~ 150mm입니다.

⚫ 범위는 10:1이며 최대 값은 50:1입니다.

⚫ 정확도는 ± 0.5 % 및 ± 0.2 % 였고 반복성은 ±0.03%였습니다.

⚫ 직접 파이프 섹션 요구 사항의 설치:5D+3D,필터를 추가해야합니다

⚫ 점도는 최대 200MPa.s .

⚫ 압력은 최대 550bar까지 가능.

⚫ 내열성 레벨 -25 ~ 100 °C

⚫ 마이크로 프로세서 형 송신기

⚫ 적산계 입력시 8 자리 리셋 입력.

⚫ 자기 점검 기능


3. 제품 사양



4. 기술 매개 변수


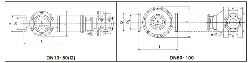
5. 제품 치수

● 주강 형, 고점도 주강 형, 고온 주 형강

● 스테인레스 타입


6. 제품 구성 요소
7. 출력 연결


8. 모델 선택