Loading

GT Korea
대진계측기
대진계측기

유량계

 
유량계 터빈 유량계 아크릴 터빈 유량계 VISION 1000

아크릴 터빈 유량계 VISION 1000

 

아크릴 터빈 유량계 VISION 1000 


 

아크릴 터빈 유량계 VISION 1000  


 

제품 설명

아크릴 터빈 유량계 VISION 1000 측정원리는 원통상의 유로속에 로터(회전날개)를 설치, 이것에 유체가 흐르면 통과하는 유체의 속도에 비례한 회전속도로 로터가 회전한다. 이 로터의 회전속도를 검출하여 유량을 구하는 원리이다. 아크릴 터빈 유량계 VISION 1000은 로터의 응답이 빠르고 유량에 비례한 고분해능의 펄스신호가 얻어진다.

 

제품 특징

점도가 낮고 부식성이 없는 유체 적합하며, 소량 유량 측정

 

적용분야

유체저항이 적은 저점도 액체, 이물질이 없는 유체 청정의 유체

 

사용 용도

순수알칼리를 포함한 액체,

샐러드 오일연료 연료 소비음료 및 냉각제,세탁기,

식기 세척기,커피 머신레이저 냉각 설비태양 광 솔루션빵집 기계스팀 조리 기계 및 CD 또는 DVD 청소.

 

응용 프로그램

• 식품 산업 커피 기계자동 판매기분배 시스템제빵 기계및 증기선

• 의료 응용 프로그램 살균슬라이드 염색치과 물 제트투석 기계

• 화학 및 제약 산업 측광 시스템

• 산업용 냉각 시스템세탁기,식물주입 시스템수처리 장치필터시스템태양열 발전소 모니터링

 자동차 : 연료 소비 측정 및 연료 분사 시스템  

 

Specifications:

 


 

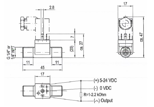
Dimensions (mm) 

 


 

 

Order code: