Loading

GT Korea
대진계측기
대진계측기

유량계

 
유량계 전자 유량계 미소전자 유량계 SM4000

미소전자 유량계 SM4000

제품 소개

미소전자 유량계 SM4000  



미소전자 유량계 SM4000  

전자 유량계 개요

미소전자 유량계 SM4000는 파라데이 (Faraday)식 유도형 원칙에 따라 작동합니다.

자기영역내 파이프를 관통하는 전도체는 유량이나 유속에 비례하는 전압을 생성합니다.

이러한 전압은 전극판을 통하여 검출되고 평가 전자장치에서 변환됩니다. 내마모성 재질은 센서가 여러 매체에 적합함을 의미합니다.

높은 보호등급과 내구성있는 콤팩트한 하우징으로 센서는 어플리케이션에서 뛰어난 성능을 보입니다.


제품 특징

볼륨 0.005...3 l/min의 정확한 측정을 위한 효율적인 유량계

높은 정확성, 반복성 및 측정력 20 μs/cm의 전도성있는 매체용으로 적합 토탈라이져 기능

4자릿수 알파벳숫자 LED 디스플레이


제품 사양



기술 데이터


Accessories


Connection technology


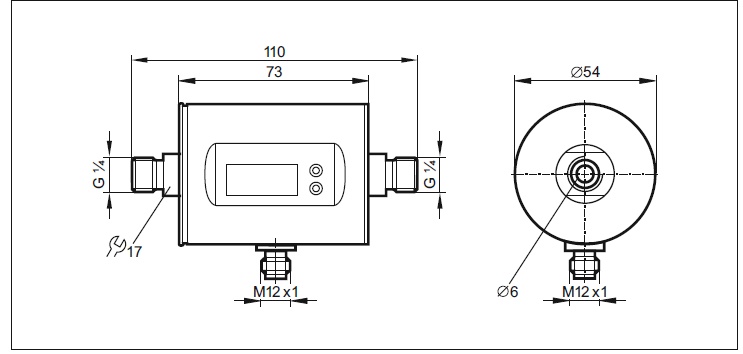
제품 도면

Wiring diagram

 

 

 SM2000

자기 유도형 유량계 센서; PNP/NPN; 스위칭 시그널; 아날로그 시그널; 펄스 시그널; 주파수 신호; IO-Link; 측정범위 5...600 l/min; 매체 온도 -10...90 °C; 정격압력 16 bar; G 2 외부 스레드 DN50; 커넥터

SM2001

자기 유도형 유량계 센서; PNP/NPN; 스위칭 시그널; 아날로그 시그널; 펄스 시그널; 주파수 신호; IO-Link; 정격압력 16 bar; G 2 외부 스레드 DN50; 커넥터

SM2004

자기 유도형 유량계 센서; 아날로그 시그널; 측정범위 0,3...36 m³/h; 측정범위 5...600 l/min; 매체 온도 -10...90 °C; 정격압력 16 bar; G 2 외부 스레드 DN50; 커넥터

SM2100

자기 유도형 유량계 센서; PNP/NPN; 스위칭 시그널; 아날로그 시그널; 펄스 시그널; 주파수 신호; IO-Link; 측정범위 5...600 l/min; 매체 온도 -10...90 °C; 정격압력 16 bar; G 2 외부 스레드 DN50; 커넥터

SM2130

자기 유도형 유량계 센서; PNP/NPN; 스위칭 시그널; 아날로그 시그널; 펄스 시그널; 주파수 신호; IO-Link; 측정범위 5...900 l/min; 매체 온도 -10...90 °C; 정격압력 16 bar; G 2 외부 스레드 DN50; 커넥터

SM2400

자기 유도형 유량계 센서; PNP/NPN; 스위칭 시그널; 아날로그 시그널; 펄스 시그널; 주파수 신호; IO-Link; 측정범위 5...600 l/min; 매체 온도 -10...90 °C; 정격압력 16 bar; Rc 2 나사 내면홈 DN50; 커넥터

SM2404

자기 유도형 유량계 센서; 아날로그 시그널; 측정범위 5...600 l/min; 매체 온도 -10...90 °C; 정격압력 16 bar; Rc 2 나사 내면홈 DN50; 커넥터

SM2500

자기 유도형 유량계 센서; PNP/NPN; 스위칭 시그널; 아날로그 시그널; 펄스 시그널; 주파수 신호; IO-Link; 측정범위 5...600 l/min; 매체 온도 -10...90 °C; 정격압력 16 bar; Rc 2 나사 내면홈 DN50; 커넥터

SM2601

자기 유도형 유량계 센서; PNP/NPN; 스위칭 시그널; 아날로그 시그널; 펄스 시그널; 주파수 신호; IO-Link; 정격압력 16 bar; 2" NPT 나사 내면홈 DN50; 커넥터

SM2604

자기 유도형 유량계 센서; 아날로그 시그널; 측정범위 5...600 l/min; 매체 온도 -10...90 °C; 정격압력 16 bar; 2" NPT 나사 내면홈 DN50; 커넥터

SM4000

자기 유도형 유량계 센서; PNP/NPN; 스위칭 시그널; 아날로그 시그널; 펄스 시그널; IO-Link; 측정범위 0,005...3 l/min; 매체 온도 0...60 °C; 정격압력 10 bar; G 1/4 외부 스레드 DN6; 커넥터

SM4020

자기 유도형 유량계 센서; PNP/NPN; 스위칭 시그널; 아날로그 시그널; 펄스 시그널; IO-Link; 주파수 신호; 매체 온도 -20...90 °C; 정격압력 16 bar; G 1/4 외부 스레드 DN6; 커넥터

SM4100

자기 유도형 유량계 센서; PNP/NPN; 스위칭 시그널; 아날로그 시그널; 펄스 시그널; IO-Link; 측정범위 0,005...3 l/min; 매체 온도 0...60 °C; 정격압력 10 bar; G 1/4 외부 스레드 DN6; 커넥터

SM4120

자기 유도형 유량계 센서; PNP/NPN; 스위칭 시그널; 아날로그 시그널; 펄스 시그널; IO-Link; 주파수 신호; 매체 온도 -20...90 °C; 정격압력 16 bar; G 1/4 외부 스레드 DN6; 커넥터

SM6000

자기 유도형 유량계 센서; PNP/NPN; 스위칭 시그널; 아날로그 시그널; 펄스 시그널; IO-Link; 측정범위 0,1...25 l/min; 매체 온도 -10...70 °C; 정격압력 16 bar; G 1/2 외부 스레드 DN15; 커넥터

SM6001

자기 유도형 유량계 센서; PNP/NPN; 스위칭 시그널; 아날로그 시그널; 펄스 시그널; IO-Link; 정격압력 16 bar; G 1/2 외부 스레드 DN15; 커넥터

SM6004

자기 유도형 유량계 센서; 아날로그 시그널; 측정범위 0,1...25 l/min; 매체 온도 -10...70 °C; 정격압력 16 bar; G 1/2 외부 스레드 DN15; 커넥터

SM6020

자기 유도형 유량계 센서; PNP/NPN; 스위칭 시그널; 아날로그 시그널; 펄스 시그널; IO-Link; 주파수 신호; 측정범위 0,05...35 l/min; 매체 온도 -20...90 °C; 정격압력 16 bar; G 1/2 외부 스레드 DN15; 커넥터

SM6050

자기 유도형 유량계 센서; 아날로그 시그널; IO-Link; 측정범위 0,1...25 l/min; 매체 온도 -10...70 °C; 정격압력 16 bar; G 1/2 외부 스레드 DN15; 커넥터

SM6100

자기 유도형 유량계 센서; PNP/NPN; 스위칭 시그널; 아날로그 시그널; 펄스 시그널; IO-Link; 측정범위 0,1...25 l/min; 매체 온도 -10...70 °C; 정격압력 16 bar; G 1/2 외부 스레드 DN15; 커넥터

SM6120

자기 유도형 유량계 센서; PNP/NPN; 스위칭 시그널; 아날로그 시그널; 펄스 시그널; IO-Link; 주파수 신호; 측정범위 0,05...35 l/min; 매체 온도 -20...90 °C; 정격압력 16 bar; G 1/2 외부 스레드 DN15; 커넥터

SM6400

자기 유도형 유량계 센서; PNP/NPN; 스위칭 시그널; 아날로그 시그널; 펄스 시그널; IO-Link; 측정범위 0,1...25 l/min; 매체 온도 -10...70 °C; 정격압력 16 bar; Rc 1/2 나사 내면홈 DN15; 커넥터

SM6404

자기 유도형 유량계 센서; 아날로그 시그널; 측정범위 0,1...25 l/min; 매체 온도 -10...70 °C; 정격압력 16 bar; Rc 1/2 나사 내면홈 DN15; 커넥터

SM6420

자기 유도형 유량계 센서; PNP/NPN; 스위칭 시그널; 아날로그 시그널; 펄스 시그널; IO-Link; 주파수 신호; 측정범위 0,05...35 l/min; 매체 온도 -20...90 °C; 정격압력 16 bar; Rc 1/2 나사 내면홈 DN15; 커넥터

SM6500

자기 유도형 유량계 센서; PNP/NPN; 스위칭 시그널; 아날로그 시그널; 펄스 시그널; IO-Link; 측정범위 0,1...25 l/min; 매체 온도 -10...70 °C; 정격압력 16 bar; Rc 1/2 나사 내면홈 DN15; 커넥터

SM6601

자기 유도형 유량계 센서; PNP/NPN; 스위칭 시그널; 아날로그 시그널; 펄스 시그널; IO-Link; 정격압력 16 bar; 1/2" NPT 나사 내면홈 DN15; 커넥터

SM6604

자기 유도형 유량계 센서; 아날로그 시그널; 측정범위 0,1...25 l/min; 매체 온도 -10...70 °C; 정격압력 16 bar; 1/2" NPT 나사 내면홈 DN15; 커넥터

SM6621

자기 유도형 유량계 센서; PNP/NPN; 스위칭 시그널; 아날로그 시그널; 펄스 시그널; IO-Link; 주파수 신호; 측정범위 0,05...35 l/min; 정격압력 16 bar; 1/2" NPT 나사 내면홈 DN15; 커넥터

SM7000

자기 유도형 유량계 센서; PNP/NPN; 스위칭 시그널; 아날로그 시그널; 펄스 시그널; IO-Link; 측정범위 0,2...50 l/min; 매체 온도 -10...70 °C; 정격압력 16 bar; G 3/4 외부 스레드 DN20; 커넥터

SM7001

자기 유도형 유량계 센서; PNP/NPN; 스위칭 시그널; 아날로그 시그널; 펄스 시그널; IO-Link; 정격압력 16 bar; G 3/4 외부 스레드 DN20; 커넥터

SM7004

자기 유도형 유량계 센서; 아날로그 시그널; 측정범위 0,2...50 l/min; 매체 온도 -10...70 °C; 정격압력 16 bar; G 3/4 외부 스레드 DN20; 커넥터

SM7020

자기 유도형 유량계 센서; PNP/NPN; 스위칭 시그널; 아날로그 시그널; 펄스 시그널; IO-Link; 주파수 신호; 측정범위 0,1...75 l/min; 매체 온도 -20...90 °C; 정격압력 16 bar; G 3/4 외부 스레드 DN20; 커넥터

SM7050

자기 유도형 유량계 센서; 아날로그 시그널; IO-Link; 측정범위 0,2...50 l/min; 매체 온도 -10...70 °C; 정격압력 16 bar; G 3/4 외부 스레드 DN20; 커넥터0,1...75 l/min; 매체 온도 -20...90 °C; 정격압력 16 bar; Rc 3/4 나사 내면홈 DN20; 커넥터

SM7100

자기 유도형 유량계 센서; PNP/NPN; 스위칭 시그널; 아날로그 시그널; 펄스 시그널; IO-Link; 측정범위 0,2...50 l/min; 매체 온도 -10...70 °C; 정격압력 16 bar; G 3/4 DN20; 커넥터

SM7120

자기 유도형 유량계 센서; PNP/NPN; 스위칭 시그널; 아날로그 시그널; 펄스 시그널; IO-Link; 주파수 신호; 측정범위 0,1...75 l/min; 매체 온도 -20...90 °C; 정격압력 16 bar; G 3/4 외부 스레드 DN20; 커넥터

SM7400

자기 유도형 유량계 센서; PNP/NPN; 스위칭 시그널; 아날로그 시그널; 펄스 시그널; IO-Link; 측정범위 0,2...50 l/min; 매체 온도 -10...70 °C; 정격압력 16 bar; Rc 3/4 나사 내면홈 DN20; 커넥터

SM7404

자기 유도형 유량계 센서; 아날로그 시그널; 측정범위 0,2...50 l/min; 매체 온도 -10...70 °C; 정격압력 16 bar; Rc 3/4 나사 내면홈 DN20; 커넥터

SM7420

자기 유도형 유량계 센서; PNP/NPN; 스위칭 시그널; 아날로그 시그널; 펄스 시그널; IO-Link; 주파수 신호; 측정범위 

SM7500

자기 유도형 유량계 센서; PNP/NPN; 스위칭 시그널; 아날로그 시그널; 펄스 시그널; IO-Link; 측정범위 0,2...50 l/min; 매체 온도 -10...70 °C; 정격압력 16 bar; Rc 3/4 나사 내면홈 DN20; 커넥터

SM7601

자기 유도형 유량계 센서; PNP/NPN; 스위칭 시그널; 아날로그 시그널; 펄스 시그널; IO-Link; 정격압력 16 bar; 3/4" NPT 나사 내면홈 DN20; 커넥터

SM7604

자기 유도형 유량계 센서; 아날로그 시그널; 측정범위 0,2...50 l/min; 매체 온도 -10...70 °C; 정격압력 16 bar; 3/4" NPT 나사 내면홈 DN20; 커넥터

SM7621

자기 유도형 유량계 센서; PNP/NPN; 스위칭 시그널; 아날로그 시그널; 펄스 시그널; IO-Link; 주파수 신호; 측정범위 0,1...75 l/min; 정격압력 16 bar; 3/4" NPT 나사 내면홈 DN20; 커넥터

SM8000

자기 유도형 유량계 센서; PNP/NPN; 스위칭 시그널; 아날로그 시그널; 펄스 시그널; IO-Link; 측정범위 0,2...100 l/min; 매체 온도 -10...70 °C; 정격압력 16 bar; G 1 외부 스레드 DN25; 커넥터

SM8001

자기 유도형 유량계 센서; PNP/NPN; 스위칭 시그널; 아날로그 시그널; 펄스 시그널; IO-Link; 정격압력 16 bar; G 1 외부 스레드 DN25; 커넥터

SM8004

자기 유도형 유량계 센서; 아날로그 시그널; 측정범위 0,2...100 l/min; 매체 온도 -10...70 °C; 정격압력 16 bar; G 1 외부 스레드 DN25; 커넥터

SM8020

자기 유도형 유량계 센서; PNP/NPN; 스위칭 시그널; 아날로그 시그널; 펄스 시그널; IO-Link; 주파수 신호; 측정범위 0,2...150 l/min; 매체 온도 -20...90 °C; 정격압력 16 bar; G 1 외부 스레드 DN25; 커넥터

SM8030

자기 유도형 유량계 센서; PNP/NPN; 스위칭 시그널; 아날로그 시그널; 펄스 시그널; IO-Link; 주파수 신호; 측정범위 0,2...250 l/min; 매체 온도 -20...90 °C; 정격압력 16 bar; G 1 외부 스레드 DN25; 커넥터

SM8050

자기 유도형 유량계 센서; 아날로그 시그널; IO-Link; 측정범위 0,2...100 l/min; 매체 온도 -10...70 °C; 정격압력 16 bar; G 1 외부 스레드 DN25; 커넥터

SM8100

자기 유도형 유량계 센서; PNP/NPN; 스위칭 시그널; 아날로그 시그널; 펄스 시그널; IO-Link; 측정범위 0,2...100 l/min; 매체 온도 -10...70 °C; 정격압력 16 bar; G 1 외부 스레드 DN25; 커넥터

SM8120

자기 유도형 유량계 센서; PNP/NPN; 스위칭 시그널; 아날로그 시그널; 펄스 시그널; IO-Link; 주파수 신호; 측정범위 0,2...150 l/min; 매체 온도 -20...90 °C; 정격압력 16 bar; G 1 외부 스레드 DN25; 커넥터

SM8130

자기 유도형 유량계 센서; PNP/NPN; 스위칭 시그널; 아날로그 시그널; 펄스 시그널; IO-Link; 주파수 신호; 측정범위 0,2...250 l/min; 매체 온도 -20...90 °C; 정격압력 16 bar; G 1 외부 스레드 DN25; 커넥터

SM8400

자기 유도형 유량계 센서; PNP/NPN; 스위칭 시그널; 아날로그 시그널; 펄스 시그널; IO-Link; 측정범위 0,2...100 l/min; 매체 온도 -10...70 °C; 정격압력 16 bar; Rc 1 나사 내면홈 DN25; 커넥터

SM8404

자기 유도형 유량계 센서; 아날로그 시그널; 측정범위 0,2...100 l/min; 매체 온도 -10...70 °C; 정격압력 16 bar; Rc 1 나사 내면홈 DN25; 커넥터

SM8420

자기 유도형 유량계 센서; PNP/NPN; 스위칭 시그널; 아날로그 시그널; 펄스 시그널; IO-Link; 주파수 신호; 측정범위 0,2...150 l/min; 매체 온도 -20...90 °C; 정격압력 16 bar; Rc 1 나사 내면홈 DN25; 커넥터

SM8500

자기 유도형 유량계 센서; PNP/NPN; 스위칭 시그널; 아날로그 시그널; 펄스 시그널; IO-Link; 측정범위 0,2...100 l/min; 매체 온도 -10...70 °C; 정격압력 16 bar; Rc 1 나사 내면홈 DN25; 커넥터

SM8601

자기 유도형 유량계 센서; PNP/NPN; 스위칭 시그널; 아날로그 시그널; 펄스 시그널; IO-Link; 정격압력 16 bar; 1" NPT 나사 내면홈 DN25; 커넥터

SM8604

자기 유도형 유량계 센서; 아날로그 시그널; 측정범위 0,2...100 l/min; 매체 온도 -10...70 °C; 정격압력 16 bar; 1" NPT 나사 내면홈 DN25; 커넥터

SM8621

자기 유도형 유량계 센서; PNP/NPN; 스위칭 시그널; 아날로그 시그널; 펄스 시그널; IO-Link; 주파수 신호; 측정범위 0,2...150 l/min; 정격압력 16 bar; 1" NPT 나사 내면홈 DN25; 커넥터

SM9000

자기 유도형 유량계 센서; PNP/NPN; 스위칭 시그널; 아날로그 시그널; 펄스 시그널; 주파수 신호; IO-Link; 측정범위 5...300 l/min; 매체 온도 -10...90 °C; 정격압력 16 bar; G 2 외부 스레드 DN50; 커넥터

SM9001

자기 유도형 유량계 센서; PNP/NPN; 스위칭 시그널; 아날로그 시그널; 펄스 시그널; 주파수 신호; IO-Link; 정격압력 16 bar; G 2 외부 스레드 DN50; 커넥터

SM9004

자기 유도형 유량계 센서; 아날로그 시그널; 측정범위 0,3...18 m³/h; 측정범위 5...300 l/min; 매체 온도 -10...90 °C; 정격압력 16 bar; G 2 외부 스레드 DN50; 커넥터

SM9100

자기 유도형 유량계 센서; PNP/NPN; 스위칭 시그널; 아날로그 시그널; 펄스 시그널; 주파수 신호; IO-Link; 측정범위 5...300 l/min; 매체 온도 -10...90 °C; 정격압력 16 bar; G 2 외부 스레드 DN50; 커넥터

SM9400

자기 유도형 유량계 센서; PNP/NPN; 스위칭 시그널; 아날로그 시그널; 펄스 시그널; 주파수 신호; IO-Link; 측정범위 5...300 l/min; 매체 온도 -10...90 °C; 정격압력 16 bar; Rc 1 1/2 나사 내면홈 DN40; 커넥터

SM9404

자기 유도형 유량계 센서; 아날로그 시그널; 측정범위 0,3...18 m³/h; 측정범위 5...300 l/min; 매체 온도 -10...90 °C; 정격압력 16 bar; Rc 1 1/2 나사 내면홈 DN40; 커넥터

SM9500

자기 유도형 유량계 센서; PNP/NPN; 스위칭 시그널; 아날로그 시그널; 펄스 시그널; 주파수 신호; IO-Link; 측정범위 5...300 l/min; 매체 온도 -10...90 °C; 정격압력 16 bar; Rc 1 1/2 나사 내면홈 DN40; 커넥터

SM9601

자기 유도형 유량계 센서; PNP/NPN; 스위칭 시그널; 아날로그 시그널; 펄스 시그널; 주파수 신호; IO-Link; 정격압력 16 bar; 1 1/2" NPT 나사 내면홈 DN40; 커넥터

SM9604

기 유도형 유량계 센서; 아날로그 시그널; 측정범위 5...300 l/min; 매체 온도 -10...90 °C; 정격압력 16 bar; 1 1/2" NPT 나사 내면홈 DN40; 커넥터

자기 유도형 유량계 센서, 어댑터를 통하여 파이프라인에 연결 프로그래밍 가능한 기능 총액의 기능 빈 파이프 검출, IP 65 / IP 67, 주변온도 -10...60 °C, M12 커넥터, 측정범위: 5...900 l/min / 0,3...54 m³/h, 세트 포인트: 10...900 l/min / 0,55...54 m³/h, 프로세스 커넥션: G2 평면 씰(seal)  션: G2 평면 씰(seal)