Loading

GT Korea
대진계측기
대진계측기

유량계

 
유량계 전자 유량계 소형 전자 유량계 KTM-100

소형 전자 유량계 KTM-100

 

소형 전자 유량계 KTM-100  

 


소형 전자 유량계 KTM-100  

제품 설명

소형 전자 유량계 KTM-100  설치 공간이 협소한 장소에 쉽게 적용 가능하도록 크기를 소형으로 특수 제작한 전자기 유량계입니다. 지시부가 제공되지 않으므로 4~20 mA 출력이나 플로우 모니터를 통해 유량이 확인 가능합니다.

 

소형 전자 유량계 KTM-100은 폐수 또는 오염 된 액체를 측정 할 때 Paddle Wheel 타입의 유량계의 대체 품이 될 수 있습니다. 또한 소 유량이 흐르는 설비에 적합하며 광범위한 분야에서 연속 유량 측정이 가능합니다.

 

소형 전자 유량계 KTM-100 은 구동부가 없어 내구성이 우수하며 수명이 길고 유지 보수가 용이하여 가성비가 뛰어납니다. 

 

제품 특징

■ FEATURE                                                                      ■ APPLICATIONS

  

 

■ KTM-100 General Specifications

  


■ MODEL CODE

  


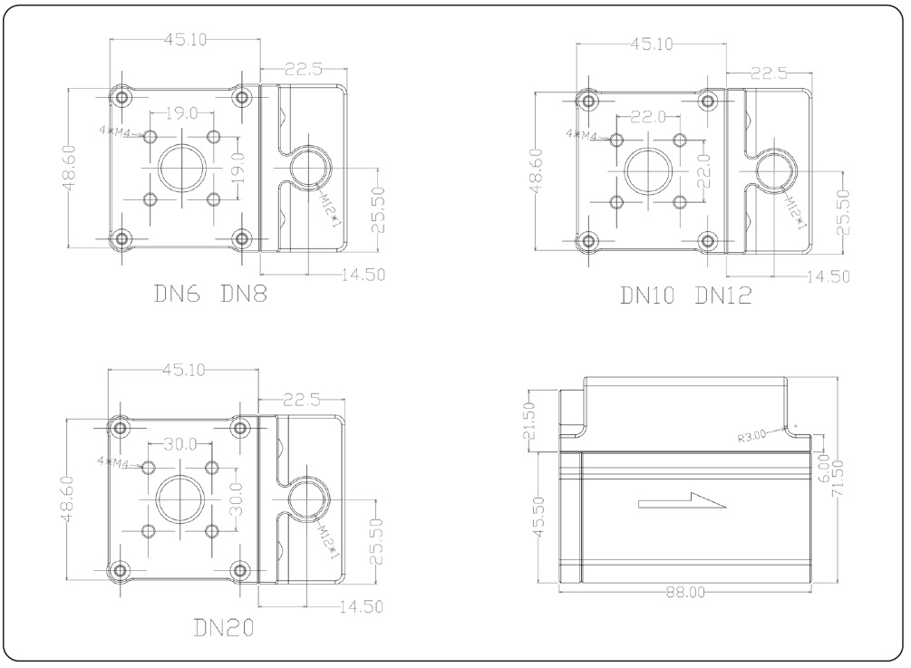
■ STRUCTURAL DRAWING


 

■ FLOW RANGES                                                           ■ ELECTRICAL CONNECTION