Loading

GT Korea
대진계측기
대진계측기

유량계

 
유량계 유량 스위치 유량 스위치 DFS-6-PC

유량 스위치 DFS-6-PC

 

유량 스위치 DFS-6-PC 


 

유량 스위치 DFS-6-PC 


 

제품 설명

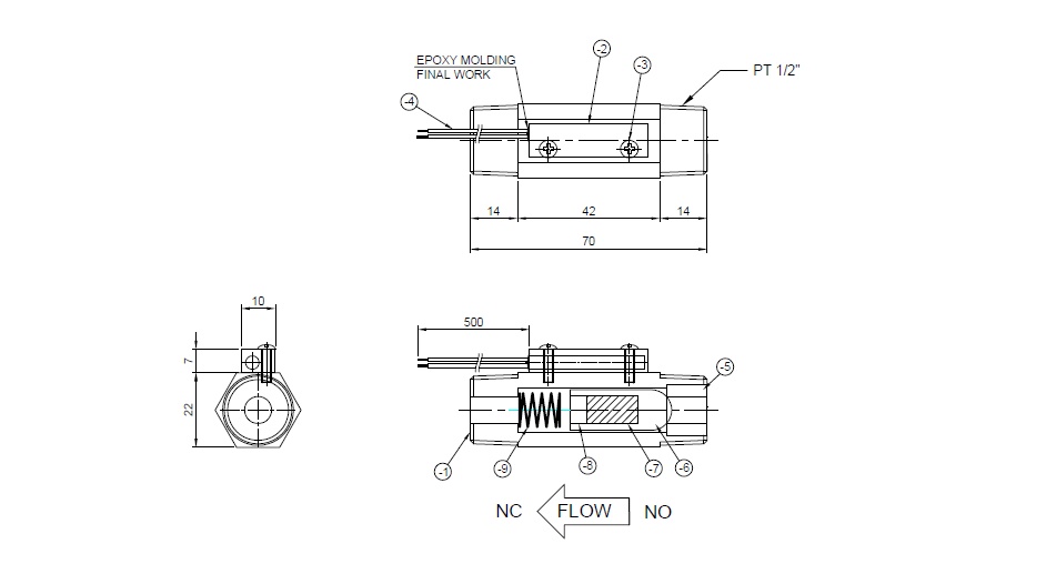
유량 스위치 DFS-6-PC Series 피스톤 유량스위치는 액체용 인라인 유량 스위치로서 고온,고압의 유체나 환경에 적합하도록 설계되었으며, 유량이 설정된 수치 이하로 흐르는 경우 외부에 접점 신호를 출력한다.
유량 스위치 DFS-6-PC Series는 구조가 간단하고 협소한 공간에 설치가 가능하기 때문에 반도체설비, 산업용 세척장비, 고압 윤활시스템 등 여러 분야로의 접목이 가능하다.


특징 및 응용

  • · 유량이 흐르는 각종 배관 측정
  • · 배관 내경에 맞는 패들 선택
  • · 마이크로 스위치의 안정된 출력
  • · 쉬운 감도 조정
  • · 저렴한 가격
  • · 제어 및 경보용으로 사용


제품 사양

 


 

제품 도면