Loading

GT Korea
대진계측기
대진계측기

유량계

 
유량계 유량 스위치 유량 스위치 DFS-2-SRH

유량 스위치 DFS-2-SRH

제품 소개

유량 스위치 DFS-2-SRH 


 

유량 스위치 DFS-2-SRH 


 

제품 동작 원리

유량 스위치 DFS-2-SRH는 배관 내부에 유입된 액체의 흐름을 제품에 장치된 패들이 움직이면서 마이크로 스위치(Micro Switch) 또는 리드 스위치 (Dry Reed Switch)를 작동시켜 접점 출력 신호를 받아 경보 및 제어 장치를 On/Off 동작시켜 배관 유량의 흐름 유/무를 감지합니다. 


특징 및 응용

  • · 유량이 흐르는 각종 배관 측정
  • · 배관 내경에 맞는 패들 선택
  • · 마이크로 스위치의 안정된 출력
  • · 쉬운 감도 조정
  • · 저렴한 가격
  • · 제어 및 경보용으로 사용


제품 사양

 


 

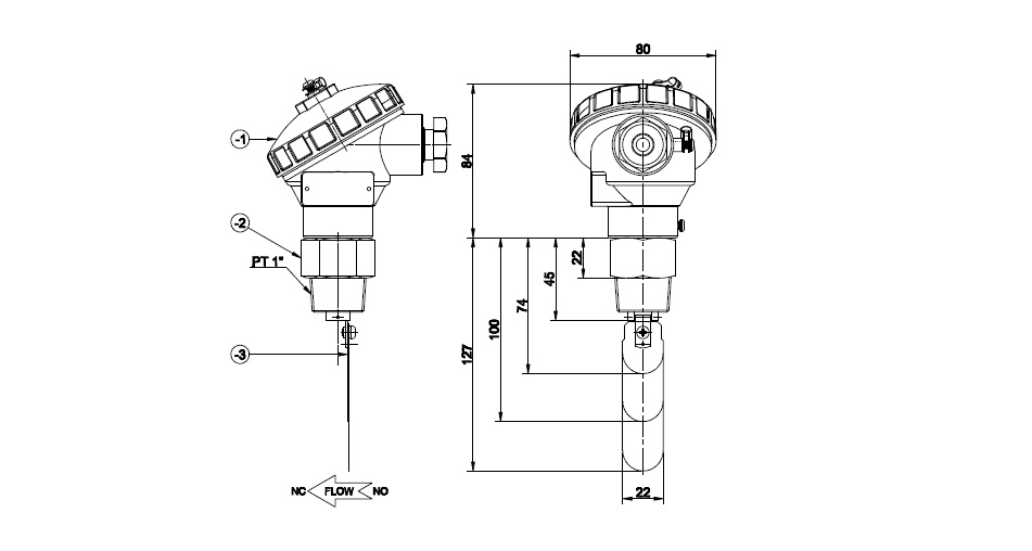
제품 도면