Loading

GT Korea
대진계측기
대진계측기

유량계

 
유량계 유량 감시계 & 스위치 유량 전송기 SG-60

유량 전송기 SG-60

 

유량 전송기 SG-60 

 

유량 전송기 SG-60  

제품 설명

 

유량 전송기 SG-60 Series 는 자기 결합 방식을 이용한 지침 지시형 유량 감시계로 내부가 특수하게 설계되어 불투명한 유체 및 슬러지 상태의 유체도 측정이 가능합니다.

 유량 전송기 SG-60 기계적인 장치에 디지털 출력 기능을 조합하여 순시 유량을 외부로 출력 할 수 있으므로 현장 뿐만 아니라 제어실에서도 유량 확인이 가능합니다. 또한 주변기기에 연동하여 밸브 등 기타 장비를 제어 할 수 있습니다.  

 

제품 특징

■ FEATURE                                                        ■ APPLICATIONS

• 접점 용량이 커 별도의 보조 릴레이 필요 없음                     ▶ 화학 및 기타 공정 산업

• 사용 유량 범위가 넓음                                                           • 첨가제(예: 촉매, 계면활성제, 폼 억제제, 유화제)

• 불투명한 액체 및 슬러지 상태 유체에 적합                              • 산, 염기, 인산염과 기타 염화물, 황산 물질

• Micro Swithch 기능 (옵션)                                                   • 응축수 과 냉각수

                                                                                         ▶ 정유 및 가스 산업

                                                                                             • 부식, 스케일링과 하이드레이트 억제제용 분사 설비

                                                                                             • 질소, 연도 가스 등

                                                                                         ▶ 수자원 산업

                                                                                            • 에어레이션 유역에 산소 살포

                                                                                            • 철 함량을 줄이기 위한 공기 분사

                                                                                         ▶ 조선 및 선박

                                                                                                    • 평형수

 

     ■ SG-60 Series General Specifications

 


 

      ■ MODEL CODE                                            ■ WIRING

 


 

     ■ STANDARD MATERIAL

 


 

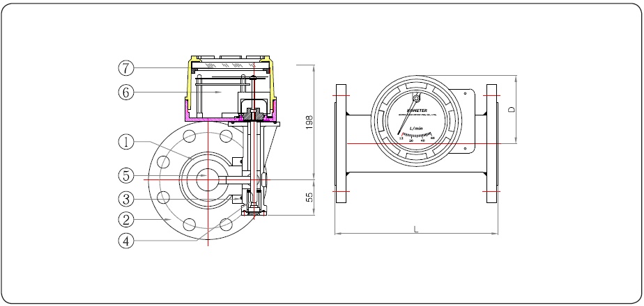
     ■ STRUCTURAL DRAWING

 


 

     ■ FLOW RANGES & DIMENSIONS