Loading

GT Korea
대진계측기
대진계측기

유량계

 
유량계 유량 감시계 & 스위치 유량 스위치 SG-40

유량 스위치 SG-40

 

유량 스위치 SG-40 

 

유량 스위치 SG-40 

제품 설명

 

유량 스위치 SG-40 Series 는 접점기능을 추가 할 수 있는 자기 결합 방식을 이용한 지침 지시형 유량 감시계입니다. 

 유량 스위치 SG-40는 미소유량부터 대유량까지 넓은 유량 범위를 측정 할 수 있으며 점성이 있는 유체 및 오일에 적합하게 설계되었습니다. 유량 스위치 SG-40는 자기 결합 방식으로의 측정이 적합하지 않은 환경에서는 플래퍼 가이드봉이 계기부로 직접 올라와 유량을 측정하도록 제작됩니다.

 

제품 특징

■ FEATURE                                                          ■ APPLICATIONS

• 접점 용량이 커 별도의 보조 릴레이 필요 없음                     ▶ 화학 및 기타 공정 산업

• 사용 유량 범위가 넓음                                                            • 첨가제(예: 촉매, 계면활성제, 폼 억제제, 유화제)

• 불투명한 액체 및 슬러지 상태 유체에 적합                               • 산, 염기, 인산염과 기타 염화물, 황산 물질

• Micro Swithch 기능 (옵션)                                                    • 응축수 과 냉각수

                                                                                          ▶ 정유 및 가스 산업

                                                                                              • 부식, 스케일링과 하이드레이트 억제제용 분사 설비

                                                                                              • 질소, 연도 가스 등

                                                                                          ▶ 수자원 산업

                                                                                              • 에어레이션 유역에 산소 살포

                                                                                              • 철 함량을 줄이기 위한 공기 분사

                                                                                          ▶ 조선 및 선박

                                                                                  • 평형수

     ■ SG-40 Series General Specifications

 


 

     ■ MODEL CODE                                             ■ STANDARD MATERIAL

 


 

     ■ MICRO SWITCH

 


 

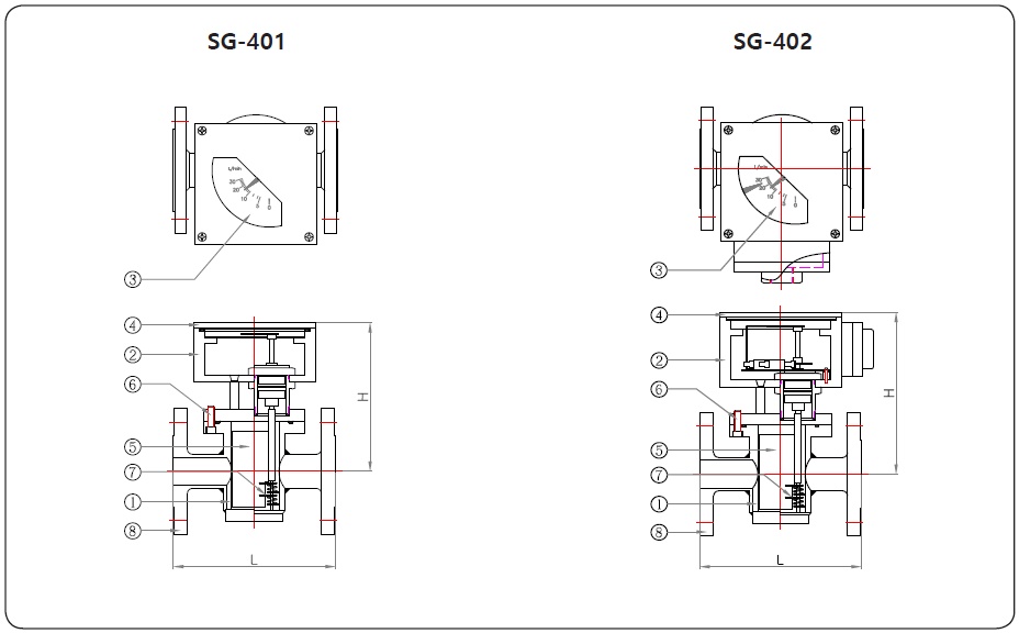
     ■ STRUCTURAL DRAWING

 


 

     ■ FLOW RANGES & DIMENSIONS

 

 

       √    표준유량은 Oil 의 점도가 150 c.s.t 일 경우임.