Loading

GT Korea
대진계측기
대진계측기

유량계

 
유량계 유량 감시계 & 스위치 유량 스위치 SG-30

유량 스위치 SG-30

 

유량 스위치 SG-30 

 

유량 스위치 SG-30 

제품 설명

 

유량 스위치 SG-30 Series 는 자기 결합 방식을 이용한 지침 지시형 유량 감시계로 내부가 특수하게 설계되어 불투명한 유체 및 슬러지 상태의 유체도 측정이 가능합니다.

 유량 스위치 SG-30  유량 검출부와 지시부가 분리되어 유체가 지시부에 유입되지 않으므로 관측이 용이하며 옵션으로 접점기능을 추가 할 수 있습니다. 

 

제품 특징

■ FEATURE                                                            ■ APPLICATIONS

• 유량 측정부와 지시부가 분리되어 유량 관측에 용이              ▶ 화학 및 기타 공정 산업

• 자기 결합 방식에 의한 지침 지시형                                          • 첨가제(예: 촉매, 계면활성제, 폼 억제제, 유화제)

• 불투명한 액체 및 슬러지 상태 유체에 적합                               • 산, 염기, 인산염과 기타 염화물, 황산 물질

• Reed Swithch 기능 (옵션)                                                     • 응축수 과 냉각수

                                                                                            ▶ 정유 및 가스 산업

                                                                                                • 부식, 스케일링과 하이드레이트 억제제용 분사 설비

                                                                                                • 질소, 연도 가스 등

                                                                                             ▶ 수자원 산업

                                                                                                 • 에어레이션 유역에 산소 살포

                                                                                                 • 철 함량을 줄이기 위한 공기 분사

                                                                                             ▶ 조선 및 선박

                                                                                                 • 평형수

     ■ SG-30 Series General Specifications

 


 

     ■ MODEL CODE                                             ■ STANDARD MATERIAL

 


 

     ■ ELECTRIC CONTACT

 


 

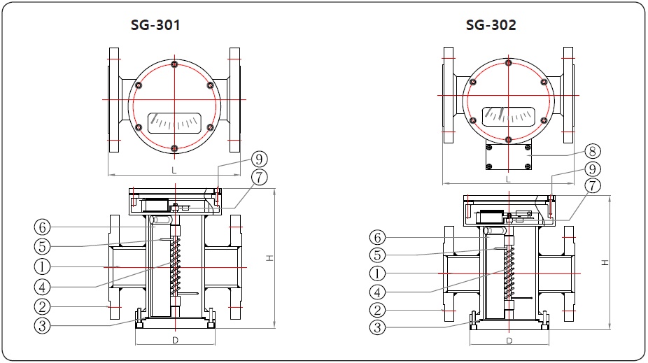
     ■ STRUCTURAL DRAWING

 


 

     ■ FLOW RANGES & DIMENSIONS