Loading

GT Korea
대진계측기
대진계측기

IFM

 
IFM 온도센서 온도센서 TN Series

온도센서 TN Series


디지털 온도 센서 TN Series


디지털 온도 센서 TN Series

제품 설명

● 디지털 온도 센서 TN는 -50...150 °C의 측정범위, 반응시간 T05 / T09 = 1s / 3s

 디지털 온도 센서 TN는 허용범위의 명백한 표시 프로그래밍 가능한 적색 / 녹색 디스플레이

 VDMA 메뉴를 가진 3개의 누름 버튼을 통해 빠르고 쉽게 처리됨

 디지털 온도 센서 TN는 아날로그 버전 (4...20 mA/ 0...10 V)또는 스위칭 출력 (2 x PNP/NPN)

 명확하게 가시적인 LED로 스위칭 상태의시각화


빠르고 내구성있음

프로브가 내장된 컴팩트한 타입 TN 유닛은 뛰어난 반응시간, 높은 압력 내구성 그리고 프로세스 연결 적응력이 특징입니다. 150°C까지의 온도와 300bar

까지의 고압 부하를 가진 어플리케이션에서 센서는 여유있는 내구성을 제공합니다. 측정영역은 자유롭게 확장축소될 수 있습니다.

기존 제품의 업데이트

새로운 특징으로는 세개의 누름 버튼으로 빠르고 쉽게 처리되는 점입니다. 디스플레이는 “적색” 표시로부터 “적색 - 녹색”이 교대로 표시되도록전환할수 있습니다.

그러므로 스위칭 상태가 강조되거나 독립적 색상 윈도가 생성될 수 있습니다. 센서 헤드는 회전될 수 있으며 모든 위치에서 최적의 가독성을 제공합니다.

유닛은스텐레스 하우징에 새겨진 레이저 라벨링으로 수년 후에도 여전히 식별가능합니다.


디지털 온도 센서 측정범위



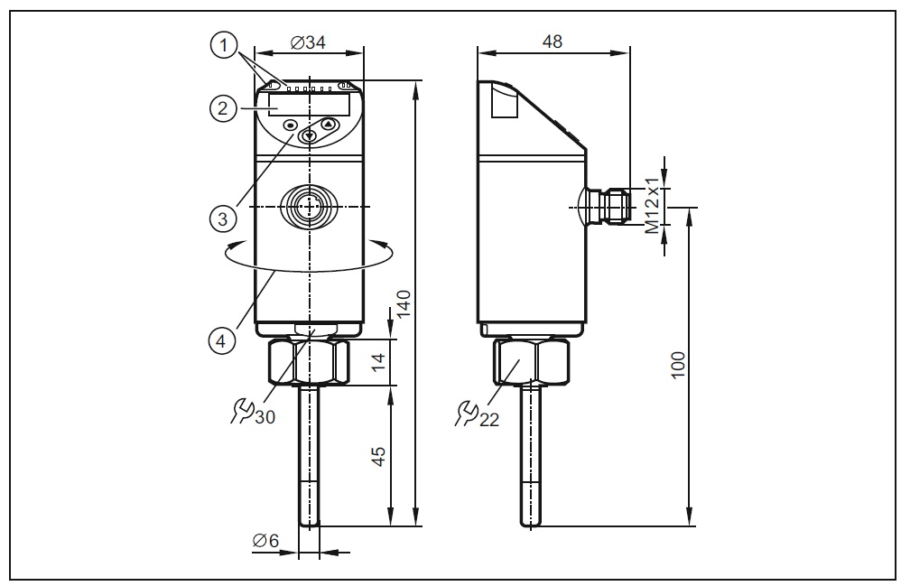
도 면


1) LED (디스플레이 유닛 / 스위칭 상태), 2) 4자릿수 알파벳숫자 디스플레이 /적색과 녹색의 교류 표시 3) 프로그래밍 버튼

4) 하우징의 상부는 345° 회전됩니다.


상세 기술 데이터

 

IO Link 액세서리



액세서리



접속 기술



 TN2105

 TN2115

 TN2303

 TN2313

 TN2333

 TN2343

 TN2405

 TN2415

 TN2435

 TN2445

 TN2511

 TN2531

 TN2603

 TN2613

 TN7511

 TN7531

 TY2511